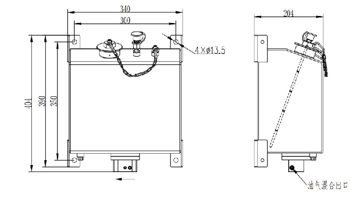
AOP Rad flansch Schmier pumpe
Die Pumpe arbeitet durch Dosierung von homogen isiertem Schmier mittel, wobei das Volumen an der Pumpen einheit vor eingestellt ist. Unter Verwendung von Druckluft als Transport medium liefert es das Schmier mittel durch Strömungs verteiler zu den Sprüh düsen, wo es gleichmäßig auf den Rad flansch aufgetragen wird. Das System benötigt nur eine einzige Leitung, um sowohl Schmier mittel als auch Druckluft zu befördern.
Wenn die Strömungs bedingungen in den Auslass leitungen ähnlich sind, wird das Luft-Schmier mittel-Gemisch innerhalb des Strömungs verteilers gleichmäßig aufgeteilt. Das komplette System besteht aus einem Tank, einer Kolbenpumpe, Strömungs verteilern und entsprechenden Sprüh düsen. Alle beweglichen Komponenten sind in das Schmier modul integriert, was den einfachen Zugang und Austausch erleichtert. Da weder die Strömungs verteiler noch die Sprüh düsen bewegliche Teile enthalten, reduzieren sich Wartungs zeit und Kosten deutlich.
CN
EN
ru
fr
de
es
pt
ar
hi
id
tr
it
pl
nl

